大通孔总线型输出,让安装更为简单
高精度光学感应技术,单圈或多圈编码器
单圈分辨率最高可达16位,多圈圈数标准高达14
Profibus-DP总线,或定制更高圈数
超强的抗磁场干扰能力、高防护等级:最高IP66
具备反短接和短路保护、有效降低安装错误对编码器造成影响


| 参数名称 | SAM90A (空心轴) |
|---|---|
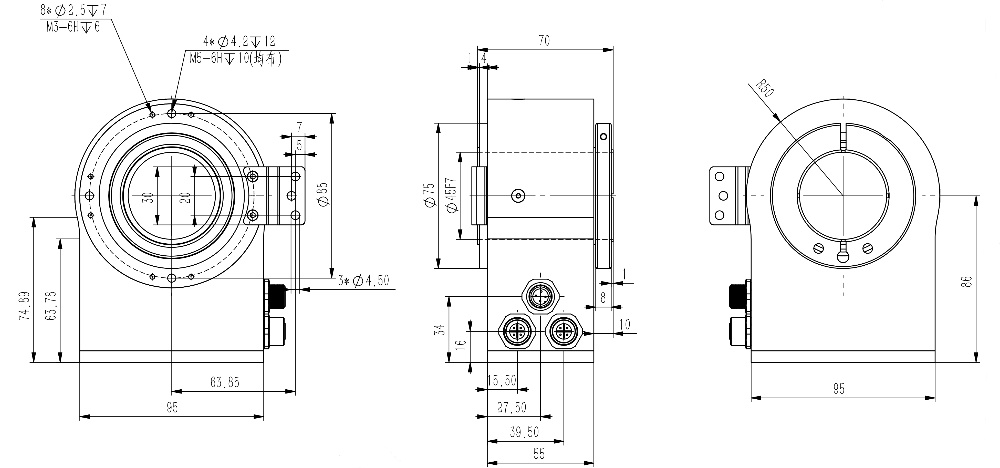
| 功能特性 | Ø 90mm 空心轴 |
| 主轴尺寸 | Ø 12、14、15、20、25、28mm(其它尺寸可定制) |
| 外壳材质 | 铝(可选不锈钢外壳) |
| 信号输出接口 | Profibus-DP总线 |
| 协议 | DPV0,DPV1和DPV2 Class 2(EN50170 + EN50254) |
| 输出驱动器 | Profibus数据接口,光耦隔离 |
| 功能 | 单圈或多圈 |
| 电源电压 | 10 ~ 30VDC |
| 单圈分辨率 | 标准为12位4096、13位8192、16位65536 |
| 圈数 | 1圈(单圈型)、多圈标准12位4096圈、多圈最大可选14位16384圈 |
| 功耗 | ≤ 1.5W |
| 启动时间 | < 1s |
| 接口周期时间 | ≥ 1ms |
| 编程功能 | 分辨率,速度比例+过滤器,预设(零点),计数方向,限位开关,节点号,示教模式,诊断模式 |
| 传输速率 | ≤ 12Mbit |
| 手动功能 | 地址选择开关0-99和终端电阻DIP开关(带有接线盒) |
| 编码 | 二进制码 |
| 安全保护 | 反极性保护:有;短路保护:有;防雷击防静电保护:有 |
| 物理性能 | 最大转速:6000r/min;主轴负载:径向 200N,轴向 100N |
| 防护等级 | IP65 |
| 启动力矩 | < 0.05Nm |
| 工作温度 | -35°C…85°C(可定制工作温度-40°C…85°C) |
| 储存温度 | -40°C…100°C |
| 抗力指标 | 抗冲击:1000m/s2,6ms(100g);抗振动:20g |
| 连接方式 | 3×M12接插件连接 |
| 出线方式 | 径向出线 |
| 信号 | 定义 |
|---|---|
| ⊥ | 电源线地线 |
| B(左) | 数据线B(pair1),进线 |
| A(左) | 数据线A(pair1),进线 |
| (-) | 0V |
| (+) | 10V…30V |
| B(右) | 数据线B(pair 2),出线 |
| A(右) | 数据线A(pair 2),出线 |
| (-) | 0V |
| (+) | 10V…30V |
| 供电电源只需连接一次(无论接哪一组端子);终端电阻切入时,BUS OUT被断开 | |

| LED红 | LED绿 | 状态信息/可能的原因 |
|---|---|---|
| 暗 | 暗 | 无电源 |
| 亮 | 亮 | 旋转编码器已准备工作,但还没有接收到基于电压的配置数据;可能的原因:例如地址设置不正确,总线连接不正确 |
| 亮 | 闪 | 参数分配或配置错误:旋转编码器接收到的配置或参数分配数据的长度不可能正确或数据不协调;可能的原因:例如总分辨率设置过高 |
| 闪 | 亮 | 旋转编码器已准备工作,但没有被主站访问到(例如地址错误导致这种情况出现) |
| 亮 | 暗 | 旋转编码器在一定时间(约40秒)内没有接到任何数据(数据线可能被中断) |
| 暗 | 亮 | 数据交换在正常模式下工作 |
| 暗 | 闪 | 数据交换在调试模式下工作 |


| SA | ① | 90 | ② | - | DP | ④ | ⑤ | - | ⑥ | - | ⑦ | ⑧ | ⑨ | - | ⑩ |
电话联系:15050450799(微信同号)
© 昆山西威迪高科有限公司 网站地图 苏ICP备14036688号
苏公网安备32058302003763号