工业精密型1米、2米、3米拉线位移传感器
测量范围从0….3000mm,万能的输出信号可选择,可自行装配
可选择数字型输出和模拟信号输出,增量编码器或绝对值编码器
铝合金材质,精密螺旋升降,自动排线,每圈行程一致,重复精度高,
防护等级最高达IP64,可完美应用与任何领域的尺寸测量和位置测量
安装空间小,测量精度高,可靠性高,橡胶密封出绳口,使用寿命长,保养维护少,安装方便


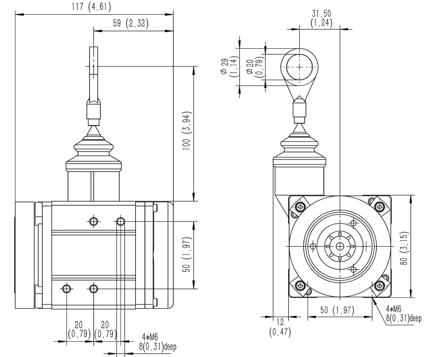
| 产品系列 | SALS80-J02M | SALS80-J03M |
|---|---|---|
| 描述 | 用于带 6 mm 轴的伺服法兰或 10 mm 轴夹紧法兰的拉线测量牵引机构 | |
| 供货范围 | 可提供仅拉线盒机构(不含编码器)或集成编码器版本 | |
| 测量范围 | 0 m … 2 m | 0 m … 3 m |
| 再现性 | ≤ 0.2 mm | |
| 线性度 | ≤ ±2 mm | |
| 滞后 | ≤ 1 mm | |
| 重量 (仅拉线盒机构) | 1.3 kg | 1.5 kg |
| 重量 (拉线绳) | 7.1 g/m | |
| 拉线绳材料 | 高柔性 316 不锈钢拉绳 | |
| 弹簧套材料 | 锌压铸件 | |
| 拉线盒外壳材料 | 铝(阳极氧化处理)或压铸锌 | |
| 拉线绳每圈长度 | 200 mm | |
| 拉线绳实际长度 | 2.2 m | 3.2 m |
| 弹簧回弹力 | 6 N … 14 N | |
| 拉线绳直径 | 1.5 mm | |
| 拉线绳加速度 | 40 m/s² | |
| 调节速度 | 10 m/s | |
| 分辨率说明 | 每圈拉线长度 ÷ 每圈编码器步数 = 拉线编码器组合分辨率 | |
| 工作环境温度 | -30 °C … +70 °C | |
| 外壳防护等级 | IP64 | |
| 使用寿命 | 典型值 500,000 次循环 | |


电话联系:15050450799(微信同号)
© 昆山西威迪高科有限公司 网站地图 苏ICP备14036688号
苏公网安备32058302003763号