测量范围从0…5000mm,万能的输出信号可选择
可选择数字型输出和模拟信号输出,增量编码器或绝对值编码器
铝合金材质,每圈行程一致,重复精度高
安装空间小,测量精度高,可靠性高,使用寿命长,保养维护少,安装方便
位移速度快,可做高速运动,可二次仪表或PLC控制系统等,更加直观的监测位移数据
防护等级最高达IP65,工作温度可达-45°C…+105°C
可完美应用与任何领域的尺寸测量和位置测量



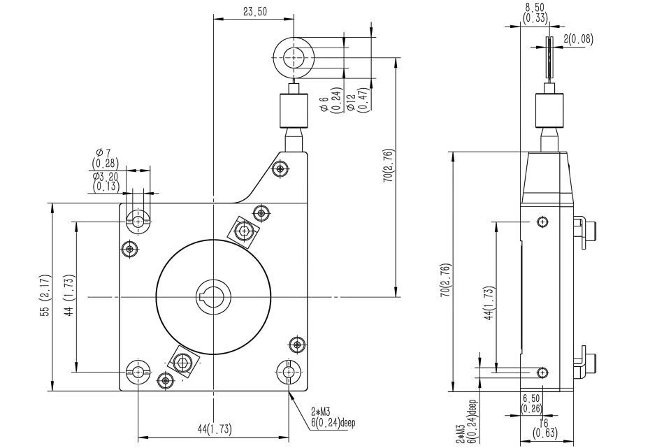
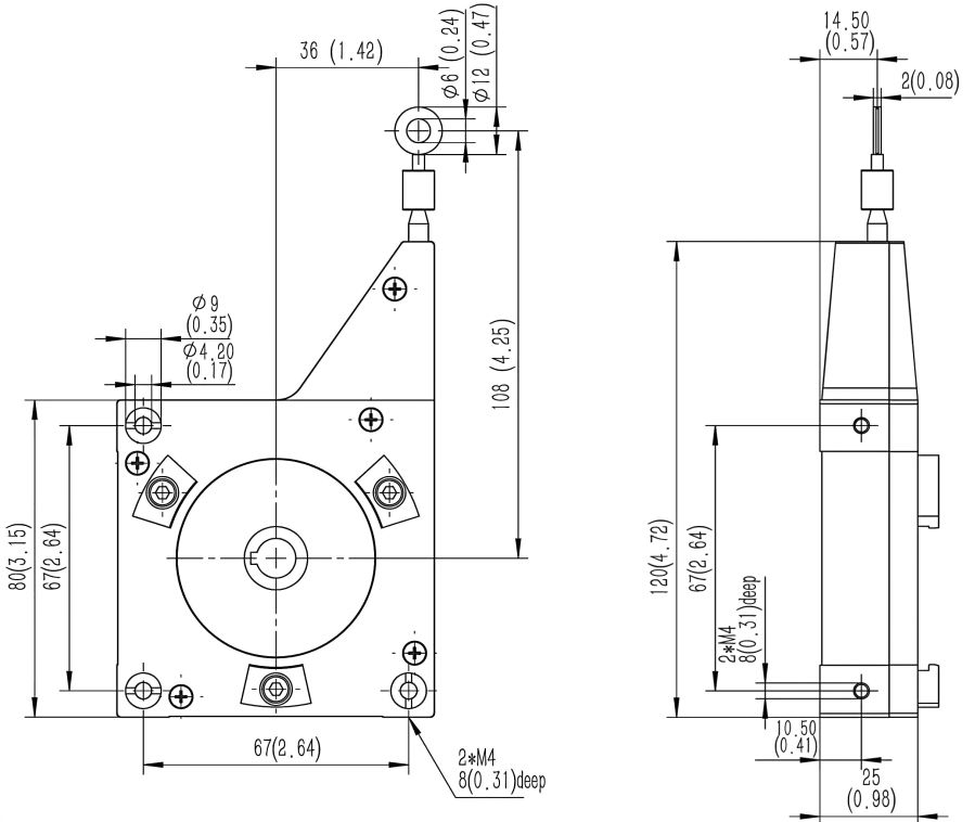
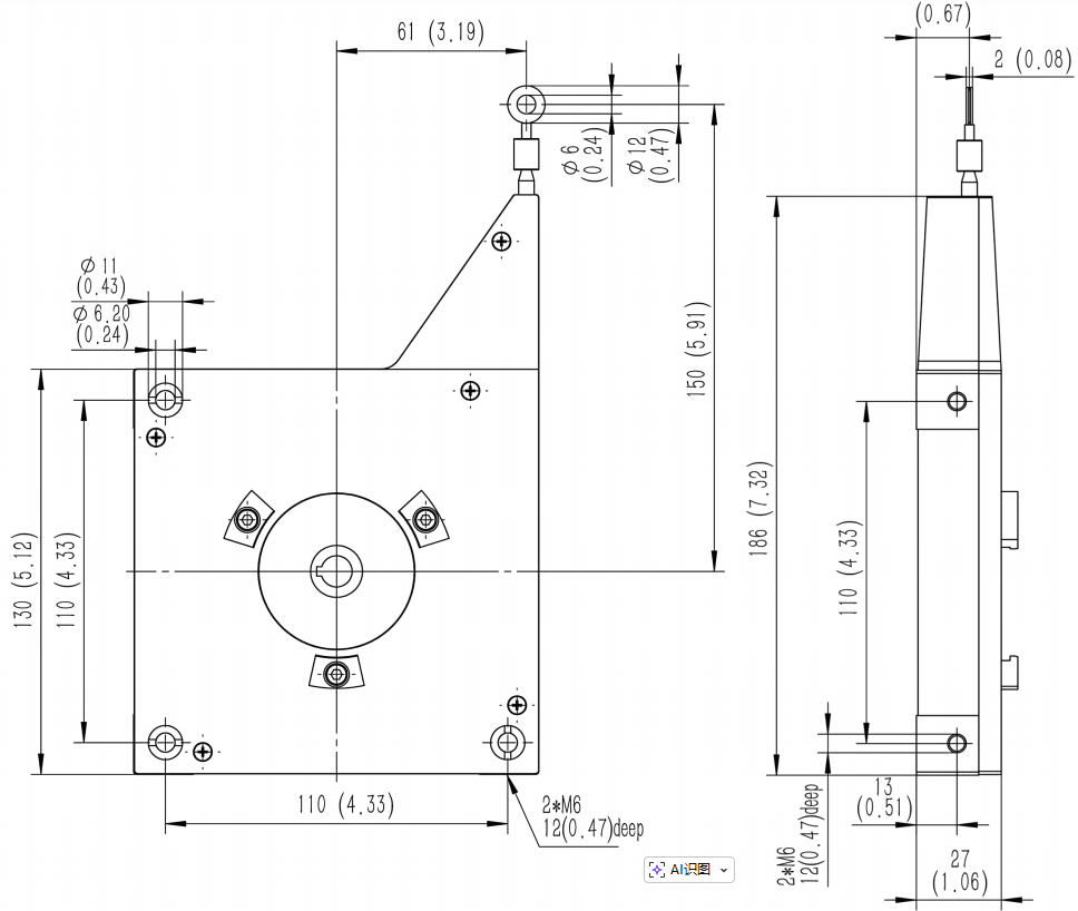
| 产品系列 | SALS-JG60 | SALS-JG80 | SALS-JG130 |
| 描述 | 用于带6mm轴的伺服法兰的拉线牵引机构 | ||
| 供货范围 | 可单独拉线盒机构不含编码器或带有编码器 | ||
| 测量范围 | 0m...1.25m | 0m...3m | 0m...5m |
| 再现性 | ≤ 0.2mm | ≤ 0.3mm | |
| 线性度 | ≤ ± 2mm | ||
| 滞后 | ≤ 0.5mm | ≤ 1.2mm | |
| 重量 (仅拉线盒) | 80g | 500g | 800g |
| 重量 (拉线绳) | 0.58g/m | 1.2g/m | |
| 拉线绳材料 | 高灵活性的316不锈钢拉绳 | ||
| 材料、外壳 | 铝合金 | 塑料,铝合金 | |
| 外壳材料 | 铝合金 | 塑料,铝合金 | |
| 每圈长度 | 150mm | 250mm | 385mm |
| 实际长度 | 1.2m | 3.2m | 5.2m |
| 弹簧回弹力 | 1N...1.4N | 3.3N...4.4N | 3.3N...4.4N |
| 拉线绳直径 | 0.6mm | ||
| 加速度 | 6m/s² | 10m/s² | 10m/s² |
| 分辨率 | 每圈的线缆拉出长度 / 每圈步数 = 拉线 + 编码器组合的分辨率 | ||
| 工作环境温度 | -30°C...+70°C | ||
| 防护等级 | IP50 | ||
| 使用寿命 | Typ. 5,000,000 循环 | ||



电话联系:15050450799(微信同号)
© 昆山西威迪高科有限公司 网站地图 苏ICP备14036688号
苏公网安备32058302003763号