B10 Euro flange with programmable overspeed switch
With lightning, over-voltage, over-current, surge impact protection
The housing is protected against dust and liquid contamination by a rugged IP67 enclosure.
用于危险环境的型号
Up to 16384 P/R pulses per revolution
Available with dual output module, redundant scanning sensors and two independent and electrically isolated electronic circuits


| Parameter item | Specifications |
|---|---|
| Product Line | POG 10 |
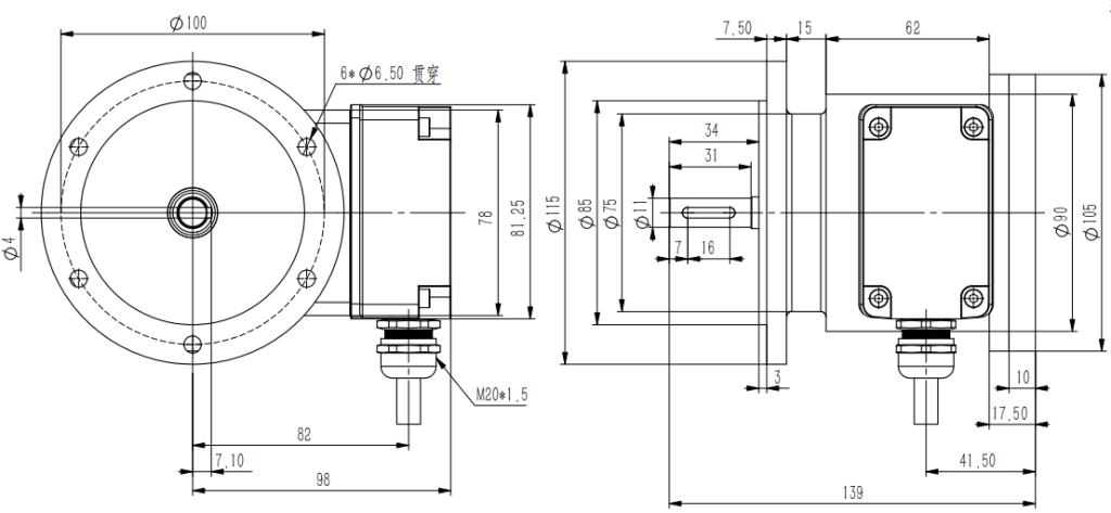
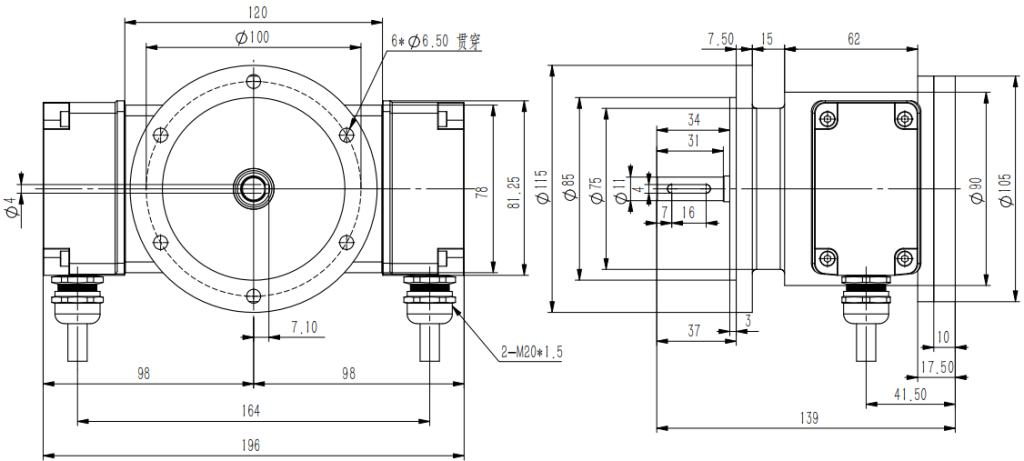
| Dimensions (Housing) | Ø 115mm |
| Spindle Dimensions | 实心轴可选 Ø 11 mm |
| Principle of Induction | Optical or magnetic |
| Power supply voltage | 5V ± 5% 10~30VDC 5~30VDC |
| Output Method | HTL/Push-Pull, TTL/RS422 |
| Output signal | A B Z + A/B/Z/ (Optional dual-channel signal output) |
| Response frequency | 300 kHz max |
| Protection function | Reverse polarity protection: Yes Short-circuit protection: Yes |
| Overspeed Switch | Programmable within the overspeed range from 1 to 5000. |
| Connection Method | Cables, plugs |
| Qualification method | Axial rear outlet, radial side outlet |
| Maximum rotational speed | 12,000 rpm |
| Spindle load | Radial 400N, axial 300N |
| Protection Rating | IP65, IP68 (optional) |
| Starting Torque | < 0.01Nm (IP65), < 0.05Nm (IP68) |
| Temperature Range | Operating: -40°C to +85°C (optional -40°C to +110°C); Storage: -40°C to +100°C |
| Impact/Vibration Resistance | Impact resistance: 2500 m/s², 6 ms; Vibration resistance: 100 m/s², 10..2000 Hz |
| Pulse count per revolution | 常用脉冲:1...1024 (16384脉冲以内任何规格均可以定制) |



| POG10 | ① | - | ② | ③ | ④ | ⑤ | - | ⑥ | - | R | ⑦ | - | ⑧ |
TEL: +86 15050450799 (WeChat same number)
© Kunshan Sividi Co. Site Map Su ICP No. 14036688
Su Gong Network Security No. 32058302003763