B10 欧规法兰、带有可编程超速开关
具有防雷击、过压、过流、浪涌冲击保护
外壳具有防护等级 IP67的坚固外壳、可防止受到灰尘和液体的污染。
用于危险环境的型号通过ATEX认证
每圈脉冲数最高可达16384P/R
可提供双重输出模块,冗余扫描传感器和两个独立的且电气隔离的电子电路

| 参数项 | 规格内容 |
|---|---|
| 产品系列 | SAH115 |
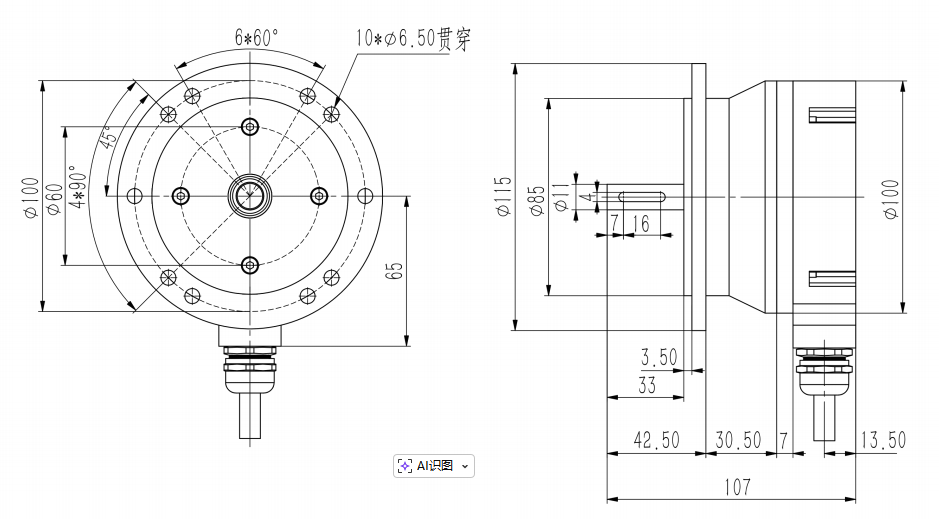
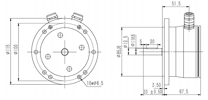
| 尺寸 (外壳) | Ø 115mm |
| 主轴尺寸 | 实心轴可选 Ø 10、11、12、15mm |
| 感应原理 | 光学或磁式 |
| 电源电压 | 5V ± 5%、10~30VDC、5~30VDC |
| 输出方式 | HTL/推挽式、TTL/RS422 |
| 输出信号 | A B Z + A/ B/ Z/ (可选双路信号输出) |
| 响应频率 | 300kHz max |
| 保护功能 | 反极性保护:有;短路保护:有 |
| 超速开关 | 1至5000超速范围以内均可编程实现 |
| 连接方式 | 电缆、插头 |
| 出线方式 | 轴向后出、径向侧出 |
| 最大转速 | 12000r/min |
| 主轴负载 | 径向 400N,轴向 300N |
| 防护等级 | IP65、IP68 (可选) |
| 启动力矩 | < 0.01Nm (IP65) 、 < 0.05Nm (IP68) |
| 温度范围 | 工作:-40℃...+85℃ (可选 -40℃...+110℃);储存:-40℃...+100℃ |
| 抗冲击/振动 | 抗冲击:2500m/s², 6ms;抗振动:100m/s², 10..2000Hz |
| 每圈脉冲数 | 常用脉冲:1...10240 (16384脉冲以内任何规格均可以定制) |
| 信号 | 0V | UB | NC | NC | A | A- | B | B- | 0 | 0- | 屏蔽 |
|---|---|---|---|---|---|---|---|---|---|---|---|
| M23接插件, 12针 | 10 | 12 | 11 | 2 | 5 | 6 | 8 | 1 | 3 | 4 | 10 |
| M12接插件, 8针 | 1 | 2 | 3 | 4 | 5 | 6 | 7 | 8 | 1 | ||
| MIL接插件(MS标准), 10针 | F | D | E | A | G | B | H | C | I | J | F |
| 接线颜色 | 白 | 棕 | 绿 | 黄 | 灰 | 粉 | 蓝 | 黑 | 屏蔽 |


| SAH115 | ① | - | ② | ③ | ④ | ⑤ | - | ⑥ | - | R | ⑦ | - | ⑧ |
电话联系:15050450799(微信同号)
© 昆山西威迪高科有限公司 网站地图 苏ICP备14036688号
苏公网安备32058302003763号