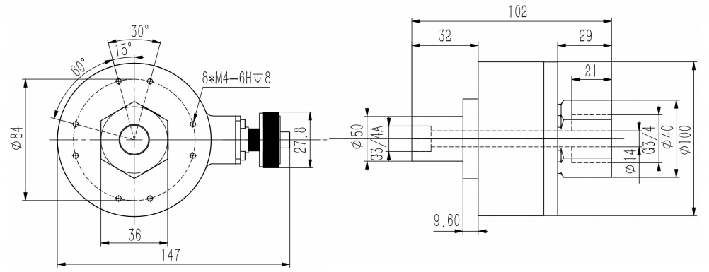
G3/4螺纹可拆卸主轴,现场可更换适配器的螺纹轴,以减少停机时间
光电感应、双隔离输出,可用于冗余.
空心过气孔14mm
EX 防爆型编码器EX II 2G Ex ib IIB T4 Gb
坚固的铝壳·极高的抗振动和冲击能力·防护程度IP65/IP66·由不锈钢制成的轴


| 参数项 | 规格内容 |
|---|---|
| 外径 | Ø 100mm |
| 轴规格 | G3/4螺纹主轴 |
| 材质 | 外壳:铸铝合金;轴:不锈钢 |
| 感应原理 | 光电 |
| 分辨率 (步/圈) | 1...2500 |
| 电源电压 | 5VDC、5~30 VDC |
| 输出电路 | TTL (RS422)、HTL (功率驱动) |
| 输出信号 | A B Z + 反相 |
| 输出频率 | ≤ 125kHz |
| 参考信号 | 零脉冲,宽度 90° |
| 空载/负载损耗 | ≤ 100mA |
| 运行性能 | 运行速度:≤ 6000rpm (机械);运行典型力矩:6Ncm |
| 允许轴负载 | ≤ 300N 轴向,≤ 450N 径向 |
| 防护等级 | IP66 |
| 温度范围 | 工作温度:-40℃...+100℃ |
| 抗干扰性 | DIN EN 61000-6-2 (抗干扰);DIN EN 61000-6-4 (允许干扰) |
| 物理特性 | 转子惯量:510gcm²;重量:1.6kg |
| 机械耐受 | 振动:20g (10-2000Hz);冲击:400g (6ms) |
| 信号 | 0V | UB | NC | NC | A | A- | B | B- | 0 | 0- | 屏蔽 |
|---|---|---|---|---|---|---|---|---|---|---|---|
| M23接插件, 12针 | 10 | 12 | 11 | 2 | 5 | 6 | 8 | 1 | 3 | 4 | 10 |
| M12接插件, 8针 | 1 | 2 | 3 | 4 | 5 | 6 | 7 | 8 | 1 | ||
| MIL接插件(MS标准), 10针 | F | D | E | A | G | B | H | C | I | J | F |
| 接线颜色 | 白 | 棕 | 绿 | 黄 | 灰 | 粉 | 蓝 | 黑 | 屏蔽 |
| 接插件类型 | 5针 M12接插件 | 8针 M12接插件 | 12针 M23接插件 |
|---|---|---|---|
| 连接座俯视图 |
|
||

| SAWD38 | - | ① | ② | ③ | ④ | - | ⑤ | - | R | ⑥ | - | ⑦ |
电话联系:15050450799(微信同号)
© 昆山西威迪高科有限公司 网站地图 苏ICP备14036688号
苏公网安备32058302003763号