具有防雷击、过压、过流、浪涌冲击保护
外壳具有防护等级 IP67的坚固外壳、可防止受到灰尘和液体的污染。
用于危险环境的型号
每圈脉冲数最高可达16384P/R
可提供双重输出模块,冗余扫描传感器和两个独立的且电气隔离的电子电路

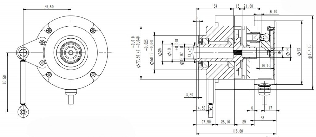
| 参数项 | 规格内容 |
|---|---|
| 尺寸 (外壳) | Ø 108 mm |
| 主轴尺寸 | 盲空轴 Ø12–20 mm ø17 mm (锥孔型 1:10)可选 |
| 感应原理 | 光学或磁式 |
| 电源电压 | 5 V ±5%、10–30 VDC、5–30 VDC |
| 输出方式 | HTL / 推挽式、TTL / RS422 |
| 输出信号 | A、B、Z + /A、/B、/Z(可选双路信号输出) |
| 响应频率 | 300 kHz max |
| 保护功能 | 反极性保护:有;短路保护:有 |
| 连接方式 | 电缆、插头或内部接线端子 |
| 出线方式 | 轴向后出、径向侧出 |
| 最大转速 | 6000 rpm |
| 主轴负载 | 径向 400 N,轴向 300 N |
| 防护等级 | IP65、IP68(可选) |
| 启动力矩 | <0.01 Nm(IP65);<0.05 Nm(IP68) |
| 温度范围 | 工作:-40℃~+85℃(可选 -40℃~+110℃);储存:-40℃~+100℃ |
| 抗冲击 / 振动 | 抗冲击:2500 m/s²,6 ms;抗振动:100 m/s²,10–200 Hz |
| 重量 | 7.3 kg |
| 每圈脉冲数 | 常用脉冲:1–1024(16384 脉冲以内可定制) |

| HOG10 | - | ① | ② | ③ | ④ | - | ⑤ | - | R | ⑥ | - | ⑦ |
电话联系:15050450799(微信同号)
© 昆山西威迪高科有限公司 网站地图 苏ICP备14036688号
苏公网安备32058302003763号