重载坚固轴型编码器,防止海水和热带气候
EX 防爆型编码器EX II 2G Ex ib IIB T4 Gb
精确的光电感应或磁感应技术、电磁兼容性好
每圈脉冲数最高可达10000P/R
过压、过流、浪涌冲击保护
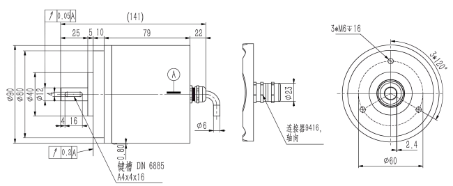
坚固的金属外壳、双轴承设计、防护等级高达IP68
具备反短接和短路保护、有效降低安装错误对编码器造成影响


| 产品系列 | SAH78A | SAH90A |
|---|---|---|
| 法兰特性 (外壳) | Ø 78mm | Ø 90mm |
| 主轴尺寸 | 轴型 Ø 10、11、12、15mm | |
| 外壳材质 | 铝合金 (可选不锈钢外壳) | |
| 感应原理 | 光学或磁式 | |
| 电源电压 | 5V ± 5%、10~30VDC、5~30VDC | |
| 输出方式 | HTL/推挽式、TTL/RS422 | |
| 输出信号 | A B Z + A/ B/ Z/ | |
| 响应频率 | 300kHz max | |
| 保护功能 | 反极性保护:有;短路保护:有 | |
| 连接与出线 | 连接:电缆、插头;出线:轴向后出、径向侧出 | |
| 最大转速 | 12000r/min | |
| 主轴负载 | 径向 100N,轴向 60N | |
| 防护等级 | IP65、IP68 (可选) | |
| 启动力矩 | < 0.01Nm (IP65) 、 < 0.05Nm (IP68) | |
| 温度范围 | 工作:-40℃...+85℃ (可选 -40℃...+110℃);储存:-40℃...+100℃ | |
| 抗冲击/振动 | 抗冲击:2500m/s², 6ms;抗振动:100m/s², 10..2000Hz | |
| 每圈脉冲数 | 常用脉冲:1...10240 (16384脉冲以内任何规格均可以定制) | |
| 信号 | 0V | UB | NC | NC | A | A- | B | B- | 0 | 0- | 屏蔽 |
|---|---|---|---|---|---|---|---|---|---|---|---|
| M23接插件, 12针 | 10 | 12 | 11 | 2 | 5 | 6 | 8 | 1 | 3 | 4 | 10 |
| M12接插件, 8针 | 1 | 2 | 3 | 4 | 5 | 6 | 7 | 8 | 1 | ||
| MIL接插件(MS标准), 10针 | F | D | E | A | G | B | H | C | I | J | F |
| 接线颜色 | 白 | 棕 | 绿 | 黄 | 灰 | 粉 | 蓝 | 黑 | 屏蔽 |
| 接插件类型 | 5针 M12接插件 | 8针 M12接插件 | 12针 M23接插件 |
|---|---|---|---|
| 连接座俯视图 |
|
||


| SAH | ① | - | ② | ③ | ④ | ⑤ | - | ⑥ | - | A | ⑦ | - | ⑧ |
电话联系:15050450799(微信同号)
© 昆山西威迪高科有限公司 网站地图 苏ICP备14036688号
苏公网安备32058302003763号