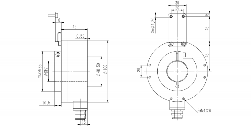
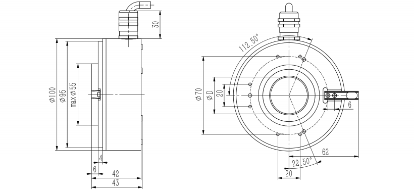
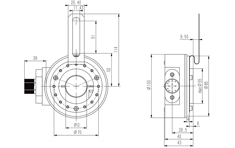
外形尺寸100mm通孔型、孔径最大45mm
精确的光电感应或磁感应技术、电磁兼容性好
每圈脉冲数最高可达10000P/R
过压、过流、浪涌冲击保护
工作温度可选低温-40°C…高温+110°C
坚固的金属外壳、双轴承设计、防护等级高达IP65
具备反短接和短路保护、有效降低安装错误对编码器造成影响


| 参数名称 | SAH100A / SAH100B (通孔型) | |
|---|---|---|
| 法兰特性 | 通孔型 | |
| 主轴尺寸 | 通孔 Ø 25, 30, 35, 38, 42, 45mm | |
| 外壳材质 | 铝合金(可选不锈钢外壳) | |
| 感应原理 | 光学 | |
| 电源电压 | 5V ± 5%、10~30VDC、5~30VDC | |
| 输出方式/信号 | HTL/推挽式、TTL/RS422;信号 A B Z + A/ B/ Z/ | |
| 响应频率 | 300kHz max | |
| 物理保护 | 反极性保护:有;短路保护:有 | |
| 运动性能 | 最大转速:6000r/min;主轴负载:径向 150N,轴向 80N | |
| 环境防护 | 防护等级:IP65;工作温度:-40℃...+85℃(可选 -40℃...+110℃) | |
| 启动力矩 | < 0.01Nm (IP65) | |
| 抗力指标 | 抗冲击:50g, 11ms;抗振动:10g, 10...2000Hz | |
| 每圈脉冲数 | 常用脉冲:1...10000;支持 10000 脉冲以内任何规格定制 | |
| 信号 | 0V | UB | NC | NC | A | A- | B | B- | 0 | 0- | 屏蔽 |
|---|---|---|---|---|---|---|---|---|---|---|---|
| M23接插件, 12针 | 10 | 12 | 11 | 2 | 5 | 6 | 8 | 1 | 3 | 4 | 10 |
| M12接插件, 8针 | 1 | 2 | - | - | 3 | 4 | 5 | 6 | 7 | 8 | 1 |
| MIL接插件(MS标准), 10针 | F | D | E | A | G | B | H | C | I | J | F |
| 接线颜色 | 白 | 棕 | - | - | 绿 | 黄 | 灰 | 粉 | 蓝 | 黑 | 屏蔽 |
| 接插件类型 | 5针 M12接插件 | 8针 M12接插件 | 12针 M23接插件 |
|---|---|---|---|
| 连接座俯视图 |
|
||



| SAH100 | ① | - | ② | ③ | ④ | ⑤ | - | ⑥ | - | ⑦ | ⑧ | - | ⑨ |
电话联系:15050450799(微信同号)
© 昆山西威迪高科有限公司 网站地图 苏ICP备14036688号
苏公网安备32058302003763号